产品动态 ▶
TL-T28
实用型液压地弹簧


功能说明
※内置减压阀,防止因外来强压或强风状态下闭门而造成的地弹簧损坏或漏油。
※通用型设计,适合左、右手及单双向开启门扇。
※采用低温防冻液压油,保证在零下40℃气温下不会影响闭门速度。
※水泥盒中可调长度5mm、宽度5mm,在校准零位时可纵向调节±2°,使产品安装时更加方便。

产品说明
◎面板类型:镜光、拉丝
◎主要材质:铸铁
◎最大门宽:≤950mm
◎最大门重:100kg
◎调速控制:二段调速
◎适用范围:塑钢门、木门、8~12mm钢化玻璃门
◎主要功能:门扇单向最大启116°,变向90°及116°定位
◎使用寿命:开合50万次无损
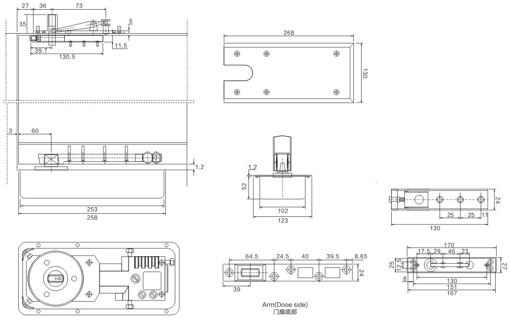
技术图纸
